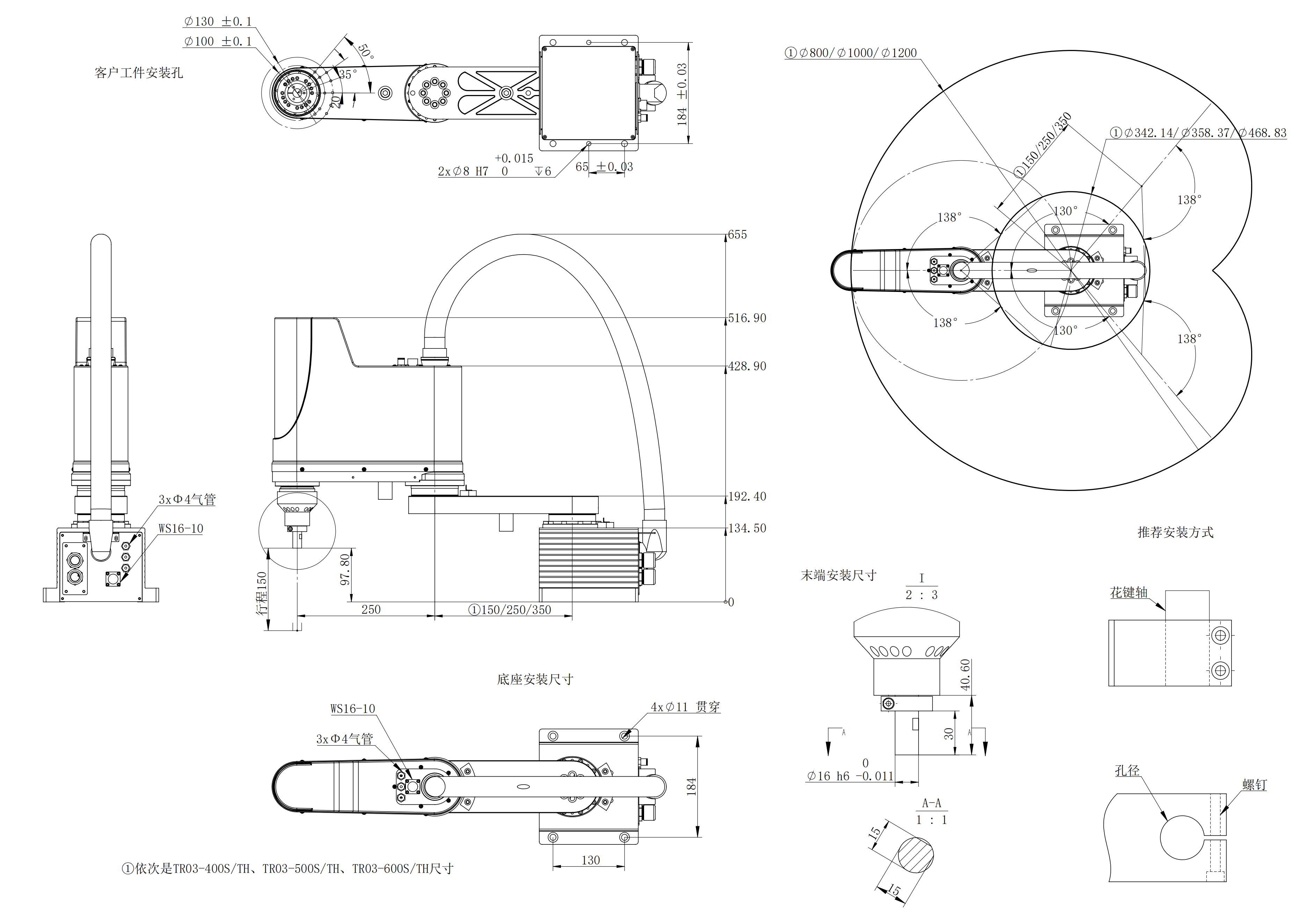
型號:TR03-500S/TH(原STH030-500)負載:3kg 臂長:500mm

參數表
| TR03-500S/TH | |||
| 負載 | 額定 | 3kg | |
| 最大 | 5kg | ||
| 臂長 | 第1+第2機械臂 | 500mm | |
| 第1機械臂 | 250mm | ||
| 第2機械臂 | 250mm | ||
| 重復定位精度 | J1/J2 | ±0.01mm | |
| J3 | ±0.01mm | ||
| J4 | ±0.01° | ||
| 防護等級 | IP40 | ||
| 最大速度 | J1/J2 | 7065mm/s | |
| J3 | 1000mm/s | ||
| J4 | 720°/s | ||
| 最大動作范圍 | J1 | ±130° | |
| J2 | ±138° | ||
| J3 | 150mm | ||
| J4 | ±360° | ||
| R軸允許慣性力矩 | 額定 | 0.005kg·m2 |
|
| 最大 | 0.05kg·m2 | ||
| 第3關節壓入力 | 100N | ||
| 噪音級 | Laeq≤85dB(A) | ||
| 節拍時間 | 0.4s | ||
| 額定功率 | 0.7kw | ||
| 用戶配線 | RVV10*0.2 | ||
| 用戶配管 | 3*Φ4mm | ||
| 用戶配電 | 單相AC220V-10%~+10% | ||
| 適用環境 | 運行環境溫度 | 0~45°C | |
| 環境濕度 | 10%~80%RH | ||
| 本體重量 | 16.8/17.9/19kg |
||
| 適用控制柜 | TRC4-A03 | ||
| 安裝孔 | 184*130mm(4-Φ11mm) | ||
| 安裝方式 | 臺面安裝 | ||
參數圖

